

密封基本快动开关。 高精度微动开关,用于大通断容量应用。IP67防护等级,可更换多种执行端子。开关动作部件完全由外壳封装,通过超声波焊接装配而成。 然而,因其具有突出的连接端子,故其需要搭配一系连接配件,可选附件有:
|
Descriptions |
| Approval |
EN 61058-1 UL 61058-1 |
| Housing | Glass fiber reinforced (PBT or PA 6T/66) |
| Plunger | PC |
| Membrane | Fluorsilicone - Upon request other material |
| Mechanism Contacts | Change-over, Snap-action with blade in Beryllium Copper |
| Contact material | Fine Silver, Gold contact upon request |
| Termination | Push-on clip 6.35 x 0.80 mm, protective cover |
| Actuator | Overall dimensions in stainless steel |
| Degree of protection |
Housing IP67 Terminals IP00 Plug-in MP100 IP67 Protective cover IP64 |
| Class of protection | II |
| Micro-switch | μ |
| Contac-gap | 0.50 mm |
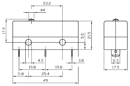
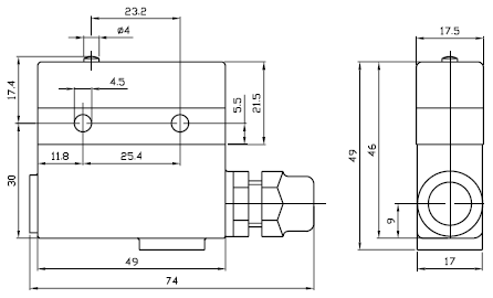
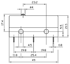
| Dimensions |
DIN 41 635, EF - form 49 x 21.5 x 17.5 mm |
| Power rating |
400VAC / 10A 250VAC / 15A |
| Operating range force | 0.2 to 6.0 N, depending actuator |
| Operating temperature range |
EN 61058 -40°C to +130°C (PBT and PA 6T/66) UL 61058 -40°C to +115°C (PA 6T/66) UL 61058 -40°C to +125°C from the second half of 2014 (PBT) |
| Mechanical life | 50 x 106 |
| Standard | 50'000 cycles |

|
Actuator |
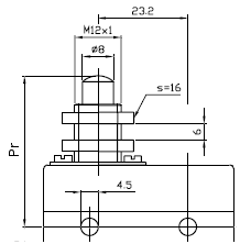
| Type 0 : Basic switch | ||
![]() |
Actuating Force Fa max. (N) Release Force Fr min (N) Free Position Pr (mm) Operating Position Pa (mm) Over-travel sr min. (mm) Differential movement sd max. (mm) |
6.0 3.0 17.4 ± 0.5 16.6 ± 0.3 0.25 0.06 |
| Type 1S29 : Plunger | ||
![]() |
Actuating Force Fa max. (N) Release Force Fr min (N) Free Position Pr (mm) Operating Position Pa (mm) Over-travel sr min. (mm) Differential movement sd max. (mm) |
6.0 3.0 29.3 ± 0.6 28.5 ± 0.3 2.0 0.08 |
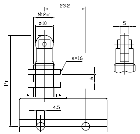
| Type 1A : Plunger, thread short | ||
![]() |
Actuating Force Fa max. (N) Release Force Fr min (N) Free Position Pr (mm) Operating Position Pa (mm) Over-travel sr min. (mm) Differential movement sd max. (mm) |
6.0 3.0 39.1 ± 0.6 38.4 ± 0.3 5.0 0.08 |
| Type 1A58 : Plunger, thread | ||
![]() |
Actuating Force Fa max. (N) Release Force Fr min (N) Free Position Pr (mm) Operating Position Pa (mm) Over-travel sr min. (mm) Differential movement sd max. (mm) |
6.0 2.5 58.0 ± 1.0 57.3 ± 0.3 10.0 0.10 |
| Type 1BL : Toller plunger, thread - Upon request steel roller , transversal roller | ||
![]() |
Actuating Force Fa max. (N) Release Force Fr min (N) Free Position Pr (mm) Operating Position Pa (mm) Over-travel sr min. (mm) Differential movement sd max. (mm) |
6.0 3.0 51.3 ± 0.6 50.6 ± 0.3 5.0 0.08 |
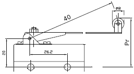
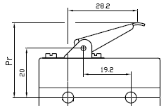
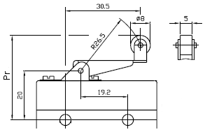
| Type 3A : Lever - reverse action - Upon request lever other side | ||
![]() |
Actuating Force Fa max. (N) Release Force Fr min (N) Free Position Pr (mm) Operating Position Pa (mm) Over-travel sr min. (mm) Differential movement sd max. (mm) |
4.5 1.2 31.3 ± 1.5 29.3 ± 1.5 3.5 0.50 |
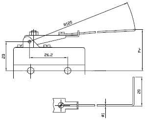
| Type 5AL : Roller lever - reverse action - Upon request lever other side, steel roller, transversal roller | ||
![]() |
Actuating Force Fa max. (N) Release Force Fr min (N) Free Position Pr (mm) Operating Position Pa (mm) Over-travel sr min. (mm) Differential movement sd max. (mm) |
4.5 1.2 35.8 ± 1.5 33.0 ± 1.5 3.5 0.60 |
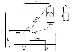
| Type 6AL : Stiff roller lever - reverse action - Upon request lever other side, steel roller, transversal roller | ||
![]() |
Actuating Force Fa max. (N) Release Force Fr min (N) Free Position Pr (mm) Operating Position Pa (mm) Over-travel sr min. (mm) Differential movement sd max. (mm) |
4.5 1.2 41.9 ± 1.5 39.0 ± 1.5 3.5 0.60 |
| Type 7A40 : Direct action adjustable lever | ||
![]() |
Actuating Force Fa max. (N) Release Force Fr min (N) Free Position Pr (mm) Operating Position Pa (mm) Over-travel sr min. (mm) Differential movement sd max. (mm) |
0.6 0.2 - - - 0.80 |
| Type 7AC : Direct action adjustable lever | ||
![]() |
Actuating Force Fa max. (N) Release Force Fr min (N) Free Position Pr (mm) Operating Position Pa (mm) Over-travel sr min. (mm) Differential movement sd max. (mm) |
0.2 0.05 - - - 4.00 |
| Type 8AL40 : Direct action adjustable roller lever | ||
![]() |
Actuating Force Fa max. (N) Release Force Fr min (N) Free Position Pr (mm) Operating Position Pa (mm) Over-travel sr min. (mm) Differential movement sd max. (mm) |
0.6 0.2 - - - 0.80 |
| Standard wiring diagram |
| Code Actuator | Diagram | Color MP100-../... | |
| Direct action |
0 1S29 1A 1A58 1BL 7A40 7AC 8AL40 |
![]() |
PVC : 1 / Brown - 2 / Black - 4 / Blue SI : 1 / Red - 2 / White - 4 / Blue PUR : 1 / Red - 2 / White - 4 / Blue |
| Reverse action |
3A 5AL 6AL |
![]() |
|
PVC : 1 / Brown - 2 / Black - 4 / Blue SI : 1 / Red - 2 / White - 4 / Blue PUR : 1 / Red - 2 / White - 4 / Blue |
| Code Actuator | Diagram | Color MP100-../... | |
| Direct action |
0 1S29 1A 1A58 1BL 7A40 7AC 8AL40 |
![]() |
PVC : 1 / Brown - 2 / Black - 4 / Blue SI : 1 / Red - 2 / White - 4 / Blue PUR : 1 / Red - 2 / White - 4 / Blue |
| Reverse action |
3A 5AL 6AL |
![]() |
| Option terminal |
| MP110-Z | |
![]() |
|
| MP100-../.. | |
![]() |
|
|
Description L : Length of the cable in meter |
MP100-K(L)/10 PVC cable 3 x 1 mm2 -20°C to +70°C; 400VAC 10A MP100-K(L)/15 PVC cable 3 x 1.5 mm2 -20°C to +70°C; 250VAC 15A MP100-SI(L)/10 Silicone cable 3 x 1 mm2 -40°C to +130°C; 400VAC 10A MP100-SI(L)/15 Silicone cable 3 x 1.5 mm2 -40°C to +130°C; 250VAC 15A MP100-PUR(L)/10 Polyurethane cable 3 x 1 mm2 -40°C to +90°C; 400VAC 10A MP100-PUR(L)/15 Polyurethane cable 3 x 1.5 mm2 -40°C to +90°C; 250VAC 15A |
| Ordering information |
| MP11 | 0 | - | 5AL | + | MP100-K2/10 | |
|
Contact material 0: Silver contact 1: Gold contact |
||||||
|
Actuator 0: Basic switch - pin plunger 1S29 : Plunger 1A : Plunger, thread short 1A58 : Plunger, thread 1BL : Roller plunger, thread 3A : Lever - reverse action 5AL : Roller lever - reverse action 6AL : Stiff roller lever - reverse action 7A40 : Direct action adjustable lever 7AC : Direct action adjustable lever 8AL40 : Direct action adjustable roller lever |
||||||
| If needed Connecting | ||||||
|
MP110-Z Protective cover IP64 MP100-K../.. Plug-in PVC cable L(m), option 10A or 15A MP100-SI../.. Plug-in Silicone cable L(m), option 10A or 15A MP100-PUR../.. Plug-in Polyurethane cable L(m), option 10A or 15A |












